Сообщения без ответов | Активные темы
Объединение добровольных спасателей ЭКСТРЕМУМ » Спасательная деятельность » Спасение животных
Часовой пояс: UTC + 3 часа
| Автор |
Сообщение |
|
Kir9
|
Добавлено: 03 июл 2015, 14:39 |
|
 |
| Ветеран |
 |
Зарегистрирован: 18 мар 2015, 22:55 Сообщения: 1377 Откуда: м. Ленинский пр.
|
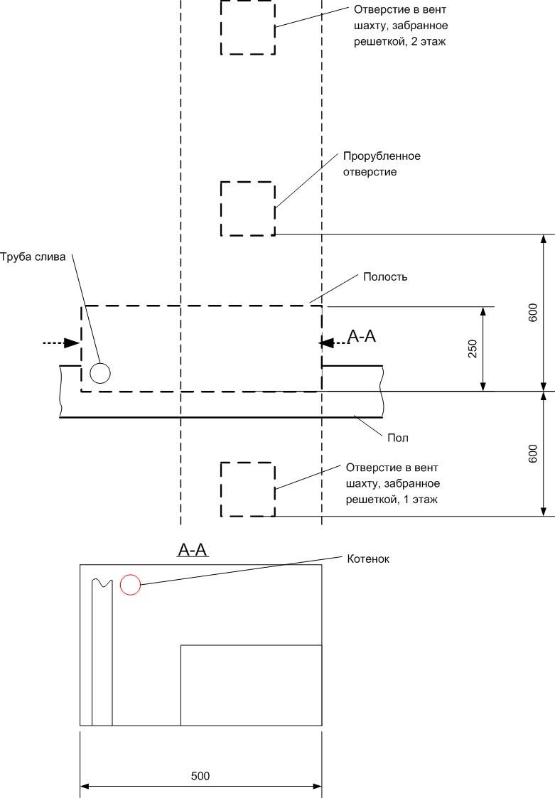
Набросал на коленке схему. Масштаб ППП (пол-палец-потолок) 
| Вложения: |
|
_________________ РПСР,СПГ;Авто,рация,фонарь,дудка,GPS
|
|
| Вернуться к началу |
|
 |
|
Kir9
|
Добавлено: 03 июл 2015, 15:28 |
|
 |
| Ветеран |
 |
Зарегистрирован: 18 мар 2015, 22:55 Сообщения: 1377 Откуда: м. Ленинский пр.
|
|
Забавно, что основная фановая труба проходит правее вентканала в туалете.
_________________ РПСР,СПГ;Авто,рация,фонарь,дудка,GPS
|
|
| Вернуться к началу |
|
 |
|
Kir9
|
Добавлено: 03 июл 2015, 17:30 |
|
 |
| Ветеран |
 |
Зарегистрирован: 18 мар 2015, 22:55 Сообщения: 1377 Откуда: м. Ленинский пр.
|
|
Как-то нелогично коммуникации расположены просто. Впрочем, это много где встречается.
_________________ РПСР,СПГ;Авто,рация,фонарь,дудка,GPS
|
|
| Вернуться к началу |
|
 |
|
Evgeniy Aminev
|
Добавлено: 03 июл 2015, 18:31 |
|
 |
| Старожил |
Зарегистрирован: 27 дек 2014, 17:15 Сообщения: 447 Изображений: 0 Откуда: Горьковская
|
Knop писал(а): Отлично) Теперь понятно. Спасибо. Интересная конструкция, два в одном. Обычно в панельных домах канал, который пересекают сливные трубы для осушения конденсата выполнен отдельно от вентканала. А в этом доме все в одном) этот дом не панельный а кирпичный(что нам было естестно наруку), и скорее всего этот аппендикс в шахте оставили строители...
|
|
| Вернуться к началу |
|
 |
|
Kir9
|
Добавлено: 14 июл 2015, 09:27 |
|
 |
| Ветеран |
 |
Зарегистрирован: 18 мар 2015, 22:55 Сообщения: 1377 Откуда: м. Ленинский пр.
|
|
Значит-таки мальчик... Это прекрасно. Сам хотел напомнить и узнать судьбу котенка. Спасибо.
_________________ РПСР,СПГ;Авто,рация,фонарь,дудка,GPS
|
|
| Вернуться к началу |
|
 |
|
Evgeniy Aminev
|
Добавлено: 14 июл 2015, 19:23 |
|
 |
| Старожил |
Зарегистрирован: 27 дек 2014, 17:15 Сообщения: 447 Изображений: 0 Откуда: Горьковская
|
|
симка может быть и девочкой...
|
|
| Вернуться к началу |
|
 |
Объединение добровольных спасателей ЭКСТРЕМУМ » Спасательная деятельность » Спасение животных
Часовой пояс: UTC + 3 часа
Кто сейчас на конференции |
Сейчас этот форум просматривают: Bing [Bot] и гости: 48 |
|
Вы не можете начинать темы Вы не можете отвечать на сообщения Вы не можете редактировать свои сообщения Вы не можете удалять свои сообщения Вы не можете добавлять вложения
|
Спасработы за 15 дней |
|---|
Лента |
|---|
Поиск |
|---|
|
|